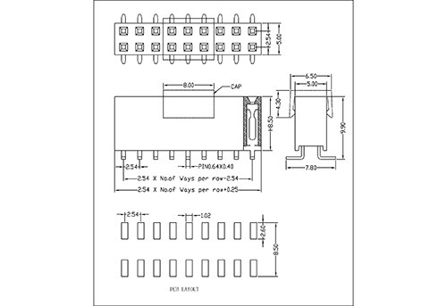
2.54 מ"מ כותרת נקבה דו-שורה SMT TypeH8.5
תכונות מוצר FHEM14-XXX מותג: ANTENK סוג ממשק: AC/DCHיות: פלסטיקPin: פליז מוטות: אחר יישום: אחר הסמכה: אחר מגדר: זכר חומר: פליז מספר כרטיס תמיכה: אחר תדירות הפעלה: תדירות גבוהה סיווג: יכולת אספקה אחרת ו...
תיאור
תכונות המוצר
מספר דגם: FHEM14-XXX מותג: ANTENK סוג ממשק: D-SUB(VGA) בית: פלסטיק סיכה: מוטות פליז: 8-16יישום: תעופה צבאית הסמכה: CEGמגדר: נקבה חומר: פליז מספר כרטיס תמיכה: הכל בתדירות הפעלה אחת : סיווג תדר גבוה: מחברי גובה נאה
יכולת אספקה ומידע נוסף
אריזה: אריזת מגש ואריזת צינורות פרודוקטיביות: 100KKPCS/חודש תחבורה: אוקיינוס, אוויר, אקספרס מקום מוצא: סין יכולת אספקה: 1תעודה: ISO9001-2015קוד HS: 8536909000סוג תשלום: T/T, UnioncoInW,Paypal,W
אריזה ומשלוח
יחידות מכירה:
תיק/תיקים
סוג האריזה:
אריזת מגש ואריזת צינורות
יצרן :ANTENK ELECTRONICS.,CO LTD.
איכות גבוהה, מחיר תחרותי, משלוח מהיר, תשובה מהירה. CE, Rohs, Reach עבר.
Header נקבה הוא סוג של מחבר. זהו סוג של מכשיר חיבור אוניברסלי שנמצא בשימוש נרחב באלקטרוניקה, מכשירי חשמל, מכשור מונים וכו'.
מחבר נקבה הוא סוג של מחבר המורכב משקע שאליו ניתן להכניס מחבר זכר. הוא קיים בדרך כלל בקצה כבל או חומרה אחרת כך שמתאפשר חיבור פיזי וחשמלי מאובטח בין שני מכשירים או יותר. ניתן להמיר מחבר זכר למחבר נקבה ולהיפך על ידי כלי שנקרא מחליף מין.

מִפרָט
דירוג נוכחי: 3.0 אמפר
התנגדות בידוד: 1000M אוהם דקות
התנגדות מגע: 20M אוהם מקסימום
עמידות דיאלקטרית: AC500V
טמפרטורת הפעלה: -65 מעלות עד פלוס 125 מעלות
חומר מגע: פליז
חומר מבודד: PBT,UL 94V-0 שחור
מִפרָט
דירוג נוכחי: 3.0 אמפר
התנגדות בידוד: 1000M אוהם דקות
התנגדות מגע: 20M אוהם מקסימום
עמידות דיאלקטרית: AC500V
טמפרטורת הפעלה: -65 מעלות עד פלוס 125 מעלות
חומר מגע: פליז
חומר מבודד: PBT,UL 94V-0 שחור
רכיבי ANTENK אכן מציעים בנוסף לתוכנית זו את האפשרות לחבר PCB בסגנון סנדוויץ' זה על גבי זה על ידי שימוש במה שנקרא "כותרות סיכות סנדוויץ'". למחברים אלו יש שני גופי מבודדים (ניתן לתקן את מיקום המבודד לפי בקשה) והם יולחמו בשני קצוות המגע לתוך ה-PCB. כותרות זכר ונקבה זמינות עם מגעים ישרים או ישרים, עם SMT (טכנולוגיית הרכבה על פני השטח) או עם סגנונות מגע של THT (טכנולוגיית חור שוקת), תוך שימוש באורכי מגעים שונים, מגעים עגולים או מרובעים. רכיבי ASSMANN WSW מציעים בנוסף ל"תוכנית המדף" שירות לדוגמה, שהותקן במיוחד עבור עיצובים לטווח קצר, משלוח תוך 3-5 ימים לאחר קבלת ההזמנה. העמודים הבאים אכן מציגים את מגוון המוצרים הסטנדרטי של כותרות זכר ונקבה. מלבד זאת, זמינות הרבה כותרות מיוחדות או מותאמות אישית או שניתן לייצר אותן לפי בקשה.
מִפרָט
דירוג נוכחי: 3.0 אמפר
התנגדות בידוד: 1000M אוהם דקות
התנגדות מגע: 20M אוהם מקסימום
עמידות דיאלקטרית: AC500V
טמפרטורת הפעלה: -65 מעלות עד פלוס 125 מעלות
חומר מגע: פליז
חומר מבודד: PBT,UL 94V-0 שחור
מִפרָט
דירוג נוכחי: 3.0 אמפר
התנגדות בידוד: 1000M אוהם דקות
התנגדות מגע: 20M אוהם מקסימום
עמידות דיאלקטרית: AC500V
טמפרטורת הפעלה: -65 מעלות עד פלוס 125 מעלות
חומר מגע: פליז
חומר מבודד: PBT,UL 94V-0 שחור
מִפרָט
דירוג נוכחי: 3.0 אמפר
התנגדות בידוד: 1000M אוהם דקות
התנגדות מגע: 20M אוהם מקסימום
עמידות דיאלקטרית: AC500V
טמפרטורת הפעלה: -65 מעלות עד פלוס 125 מעלות
חומר מגע: פליז
חומר מבודד: PBT,UL 94V-0 שחור
ש: מה ה-MOQ שלך?
ת: אם יש לנו את המוצרים במלאי, זה לא יהיה MOQ. אם אנחנו צריכים לייצר, אנחנו יכולים לדון ב- MOQ לפי המצב המדויק של הלקוח.
ש: כמה זמן הוא זמן האספקה שלך?ת: זמן האספקה הכללי הוא 30-45 ימים לאחר קבלת אישור ההזמנה שלך. Anther, אם יש לנו את הסחורה במלאי, זה ייקח רק 1-2 ימים. ש: האם אתה מספק מדגם? האם זה בחינם?ת: אם המדגם הוא בעל ערך נמוך, אנו נספק את המדגם בחינם עם איסוף משא. אבל עבור כמה דוגמאות בעלות ערך גבוה, אנחנו צריכים לאסוף את תשלום המדגם.




שלח החקירה
אולי גם תרצה









